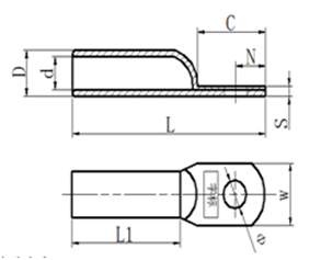
管压铜接线端子主要应用于户内(或干燥环境下户外)35KV及以下铜芯电缆终端与电器设备铜端连接
4、采用优质T3及以上铜材精制而成,铜含量≥99.7% 具有良好的导电性,导电率不低于86%IACS。铜原材料符合国家标准:GB/T5231-2001。